熱門搜索:
產品介紹
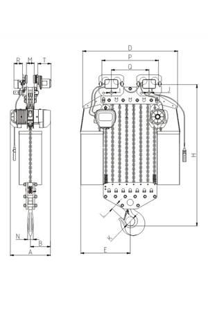
外殼:鋁合金外殼,堅實而質輕。有特色散熱片,散熱快,可連續使用,效率達40%。整體密閉式結構,可使用在化工廠.電鍍廠等地方.
磅磁剎車:新設計的磁力產生器,其特性為產磁。可在電源切斷的同時間剎車,保證吊重時剎車確保安全。極限開關:吊上吊下都有極限開關裝置,使自動停止,防止鏈條超出,確保安全。
鏈條:采用FEC80超級加熱處理合金鋼鏈條,在雨水海水化學品及其他惡劣狀況下使用安全無慮,吊鉤:經熱鍛造,強度絕佳,不易斷裂。下吊鉤可360度旋轉 ,附安全舌片,確保操作安全。支撐架:吊重支撐架由兩片鋼板組合,非常堅固。
變壓器: 24V/36V變壓裝置。操作時,萬-漏電,可防止意外事故發生.下雨時,可保證安全使用。電磁接觸器:高效率電磁接觸器,可高頻率使用,沒有問題。
逆相保護裝置:特殊電線裝置,當電源接線錯誤時,控制電路無法動作。按鈕開關:使用防水按鈕開關,輕便耐用。

















